english
miezuri tip oala
miezuri tubulare mici
miezuri tip antena
miezuri tip E, ETD, EC
miezuri tip U
miezuri tip PQ
miezuri tip RM
miezuri tip mosor
miezuri cu 2 orificii
miezuri tip tor
Miezuri tip mosor
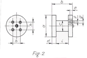
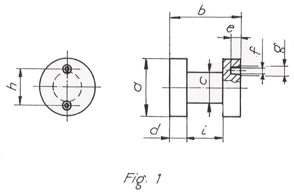
Fig.
Tip
a
b
c
d
e
f
g
h
i
Material
Greutate
(g/buc.)
MZ-4
NC-6
1
Ø8x10
8+0-0,7
10+0-0,7
4+0-0,6
2,5+0-0,5
1,5±0,1
1,04+0-0,2
1,22+0-0,3
5±0,1
5+0-0,6
•
•
1,2
2
Ø10x10
10±0,3
10±0,4
5±0,2
2±0,15
1,5±0,1
0,8±0,15
0,9±0,15
3,6±0,15
6±0,2
•
•
2,0
Comunicate financiare