english
magneti cilindrici si
inelari anizotropi
segmenti pentru
motoare electrice
plastoferite si
magnetoplaste
magneti anizotropi paralelipipedici
ferite izotrope
banda magnetica
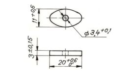
Plastoferite si magnetoplaste
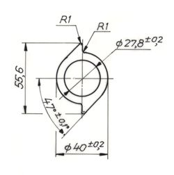
La cererea beneficiarului aceste repere se pot executa in orice forma, dimensiune sau tolerante.
Comunicate financiare