| |
|
|
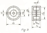
Fig.
|
|
|
|
|
|
|
|
|
Greutate
(g)
|
|
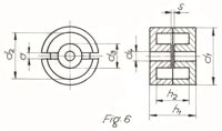
6
|
Ø14x18
|
14,2-0,4
|
11,6+0,6
|
6-0,2
|
3+0,3
|
8,5-0,3
|
5,6+0,4
|
2,5+0,1
|
2
|
|
AL
nH/sp²
|
|
|
|
|
100
|
±3%
|
|
|
160
|
±3%
|
|
|
200
|
±5%
|
|
|
250
|
±3%
|
|
|
315
|
±3%
|
|
|
400
|
±3%
|
|
|
460
|
±3%
|
|
|
700
|
+30%-20%
|
+30%-20%
|
|
800
|
+30%-20%
|
|
|
2100
|
+30%-20%
|
+30%-20%
|
|
1
|
Ø18x11
|
18,2-0,6
|
15+0,4
|
7,6-0,3
|
3+0,3
|
10,7-0,3
|
7,2+0,4
|
2,8+1,2
|
4
|
|
AL
nH/sp²
|
|
MZ-8
Tol.(%)
|
|
|
100
|
±3%
|
|
|
250
|
±3%
|
|
|
315
|
±5%
|
|
|
400
|
±3%
|
|
|
2
|
Ø18x14
|
18,3-0,6
|
14+0,4-0,2
|
7,4-0,3
|
3±0,3
|
14,2-0,4
|
10,1+0,4
|
2,5+0,5
|
6,5
|
|
AL
nH/sp²
|
|
MZ-8
Tol.(%)
|
|
|
100
|
±3%
|
|
|
400
|
±3%
|
|
|
2700
|
|
+30%-20% |
|
2
|
Ø23x17
|
23+0,2-0,6
|
18+0,7
|
11,2+0,2-0,4
|
5,5+0,2
|
17,2-0,6
|
11,3+0,6
|
2,7+0,6
|
11
|
|
AL
nH/sp²
|
|
MZ-8
Tol.(%)
|
|
|
250
|
±3%
|
|
|
280
|
±3%
|
|
|
400
|
±5%
|
|
|
500
|
±3%
|
|
|
630
|
±3%
|
|
|
650
|
±3%
|
|
|
900
|
±3%
|
|
|
1000
|
±3%
|
|
|
1100
|
±10%
|
|
|
2000
|
|
+30%-20% |
|
5
|
Ø26x16
|
25,5±0,6
|
21,2+0,9-0,05
|
11,5+0,1-0,4
|
5,4+0,35-0,05
|
16,3-0,4
|
11+0,4
|
3,8±0,6
|
11
|
|
AL
nH/sp²
|
|
MZ-8
Tol.(%)
|
|
|
250
|
±5%
|
|
|
2500
|
|
+30%-20% |
|
1
|
Ø30x19
|
30,5+0,5-1
|
25+0,8
|
13,5+0,1-0,4
|
5,4+0,2
|
19-0,4
|
13+0,4
|
3,7+1
|
20
|
|
AL
nH/sp²
|
|
MZ-8
Tol.(%)
|
|
|
400
|
±3%
|
|
|
1000
|
±3%
|
|
|
6
|
Ø34x28
|
34+0,5-1
|
27,2+1,1
|
14-0,5
|
5,5+0,2
|
27,4+0,8
|
20,1+0,6
|
3,8+1,2
|
35
|
|
AL
nH/sp²
|
|
MZ-8
Tol.(%)
|
|
|
100
|
±3%
|
|
|
250
|
±3%
|
|
|
475
|
±3%
|
|
|
630
|
±3%
|
|
|
2000
|
+30%-20%
|
+30%-20% |
|
3800
|
+30%-20%
|
+30%-20% |
|
3
|
Ø36x22
|
36-1
|
30+1
|
16,2-0,4
|
5,4+0,2
|
21,6+0,4
|
14,6+0,4
|
4+1,6
|
31
|
|
AL
nH/sp²
|
|
MZ-8
Tol.(%)
|
|
|
250
|
±3%
|
|
|
400
|
±3%
|
|
|
630
|
±3%
|
|
|
1000
|
±3%
|
|
|
1250
|
±3%
|
±5% |
|
1600
|
±3%
|
±10% |
|
2800
|
|
+30%-20% |
|
5000
|
+30%-20%
|
+30%-20% |
|
4
|
Ø41x25
|
41-1,1
|
34+0,2
|
17,5-0,5
|
5,5+0,2
|
25-0,4
|
17+0,3
|
6±0,3
|
45
|
|
AL
nH/sp²
|
|
MZ-8
Tol.(%)
|
|
|
3150
|
±10%
|
|
|
8400
|
|
+30%-20% |
NOTA: La cerere pot
fi executate si alte valori de AL.
|
|